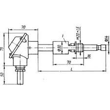
Перетворювачі термоелектричні ТХК-2588
Термопреобразователь ТХК-2588 призначений для вимірювання температури рідких і газоподібних, хімічно неагресивних середовищ, в різних галузях промисловості.
Технічні характеристики термопара ТХК-2588:
- Робочий діапазон вимірюваних температур, ° С
для термопара ТХК-2588 від -40 до +600.
- Літерне позначення НСХ перетворення (ГОСТ 3044)
для перетворювач температури ТХК-2588 L
- Клас (ДОСТ 6616)
для термоперетворювач ТХК-2588 2.
- Кількість робочих спаїв 1 або 2;
- Показник теплової інерції, с, не більше 40;
- Матеріал захисної арматури сталь 12Х18Н10Т;
- Матеріал головки сплав алюмінієвий.
- Головка термоперетворювач ТХК-2588 водозахищеного виконання.
Показники термоперетворювачів ТХК набагато більш лінійні, ніж багато інші датчики, а їх нелінійність добре передбачувана і детально описана в спеціальній літературі. Крім того, до переваг термопар ТХК відносяться також мала інерційність, можливість вимірювання малих різниць температур. При виборі датчиків температури видів Тха і ТХК слід врахувати, що їх небажано використовувати в атмосфері з підвищеним вмістом сірки, так як вона впливає на обидва електрода. Існує понад п'ятдесят модифікацій під різні виробничі потреби, опис різних типів перетворювачів температури ТХК а також їх технічних характеристик наведено нижче.
Діапазон вимірюваних температур, 0C:
- для термопар ТХК, КТХК (тип L) ... від -400C до + 6000C
Середній термін служби при номінальній температурі застосування, років:
-для термопар ТХК 6 років.
Міжповірочний інтервал термопар ТХК:
- чотири роки для перетворювачів 2 класу - ТХК з діаметром термоэлектродов не менше 0,45 мм і працюють при температурах не вище 4500C; - два роки для інших перетворювачів.
Хромель-копелевая термопара (ТХК): Робочий елемент виготовлений з хромель і копель - сплавів на основі нікелю. Хромель - сплав, що складається з наступних елементів: хром - 8,7-10%; нікель - 89-91%; кремній, мідь, марганець, кобальт - домішки. Копель - сплав, що складається з наступних елементів: Ni (43-44%); Fe (2-3%); решта Cu.
Термопари ТХК характеризується максимальним значеннями термоерс., Що забезпечує хорошу точність вимірювань температури. Чутливість хромель-Копелєв термоперетворювача зростає від 65 мкВ / град при 00C до + 85 - вище 300C. Термопари ТХК використовуються в тривалих дослідах тільки до 6000C (в короткочасних і повторно - до 8000C), оскільки при температурі вище копель окислюється.
